| |
|
|
|
一、2H滑閥式真空泵概述:
2H滑閥式真空泵適用于抽吸空氣及其他一般性氣體,當使用氣鎮時,亦能抽吸含有少量的可凝性氣體(如水蒸汽)。當抽吸含氧過高的、有爆炸性的、對黑色金屬有腐蝕性的、對真空油起化學反應的氣體時,應加附加裝置。2H滑閥式真空泵可單獨使用,也可作為擴散泵、油增壓泵、羅茨泵等高真空泵的前級泵,相對于旋片式真空泵,2H滑閥式真空泵比較耐用,使用壽命長。該泵在真空鍍膜、真空熱處理、真空燒結、分子蒸餾、航空模擬試驗使用較多。
二、2H滑閥式真空泵特點:
1.經過優化設計配重,振動少,噪聲低。
2.軸承密封室單獨供油,與2H滑閥式真空泵泵腔隔開,避免了雜質進入軸承室造成軸承、密封過早損壞。
3.根據用戶要求,可附帶副油箱,達到冷卻真空油分離雜質的作用。
4. 除老式H-150外,電機均置于泵的上方,結構緊湊,占地面積少。 |
三、2H滑閥式真空泵技術參數表: |
型號 |
極限壓力 |
幾何抽速(l/s) |
進氣口徑(mm) |
排氣口徑(mm) |
配用功率(kw) |
冷卻水耗量(kg/h) |
重量(Kg) |
pa |
Torr |
2H-30 |
6.7×10-4 |
5×10-4 |
30 |
φ63 |
φ40 |
4 |
135 |
325 |
型號 |
極限壓力 |
幾何抽速(l/s) |
進氣口徑(mm) |
排氣口徑(mm) |
配用功率(kw) |
冷卻水耗量(kg/h) |
重量(Kg) |
pa |
Torr |
2H-70 |
6.7×10-4 |
5×10-4 |
70 |
φ80 |
φ76 |
7.5 |
350 |
630 |
型號 |
極限壓力 |
幾何抽速(l/s) |
進氣口徑(mm) |
排氣口徑(mm) |
配用功率(kw) |
冷卻水耗量(kg/h) |
重量(Kg) |
pa |
Torr |
2H-150 |
6.7×10-4 |
5×10-4 |
150 |
φ100 |
φ80 |
15 |
500 |
960 |
|
四、2H滑閥式真空泵的性能參數表: |
 |
| 四、2H滑閥式真空泵安裝尺寸圖: |
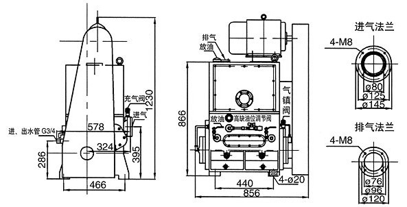
2H-150A滑閥式真空泵:
 |
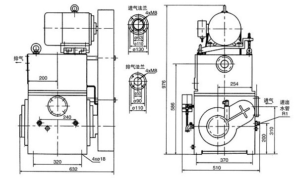
2H-70A/2H-70M滑閥式真空泵:
 |
2H-30A滑閥式真空泵:
 |
上海飛魯真空泵廠有限公司主要真空泵產品有:旋片式真空泵系列、水環式真空泵系列、往復式真空泵系列、羅茨真空泵系列、滑閥式真空泵系列、水噴射真空泵系列、擴散泵系列、真空機組系列等泵類產品及真空泵配件,我公司擁有豐富的生產歷史,技術精良,產品質量穩定可靠,公司恪守“以誠信,市場,互利”的宗旨,重合同,守信用。為您提供優質的產品、良好的服務,做您忠實可靠的合作伙伴, 竭誠歡迎各界新老朋友前來光臨洽談合作!
我公司免費咨詢電話:400-021-5161
感謝您訪問我公司的網站,如有任何疑問.您可以致電給我們,我們一定會盡心盡力為您提供優質的服務。
相關滑閥式真空泵系列產品:
H滑閥式真空泵
2H滑閥式真空泵
|
|